Niezawodne i sprawdzone rozłączniki bezpiecznikowe skrzynkowe KVL
Rozłączniki bezpiecznikowe KVL występują w czterech rozmiarach, ale mogą być łączone ze sobą i stosowane w różnych kombinacjach. Nowy asortyment zawiera także możliwość montażu maskownicy na czterech poziomach - 32, 60, 70 i 90 mm. Wersje do montażu na płycie montażowej, do montażu na szynach prądowych oraz na szynę DIN ofe rują idealne rozwiązanie dla wielu obszarów zastosowań.
Parametry techniczne
  • Numer katalogowy:
  • Indywidualny numer indentyfikacyjny nadany przez producenta.
    001690895
  • Symbol artykułu:
  • Typ produktu określony przez producenta.
    KVL-00 2p M8-M8
  • Sposób montażu
  • Szybki montaż rozłącznika KVL-00... i KVL-1... na dwóch szynach DIN dzięki dodatkowemu zestawowi DIN KVL-... 100-150.
    płyta montażowa /
    szyna TH-35
  • Ilość biegunów:
  • 2
  • Dla wkładek typu:
  • Rozłączniki bezpiecznikowe KVL przeznaczone są dla wkładek bezpiecznikowych NH:

    KVL-00… - NH00, NH000, NH00C
    KVL-1… - NH1, NH1C
    KVL-2… - NH2, NH2C
    KVL-3… - NH3, NH3C
    LTL4A... - NH4A
    NH00, NH000,
    NH00C
  • Dla zwieraczy instalacyjnych typu:
  • Rozłączniki bezpiecznikowe KVL przeznaczone są dla zwieraczy instalacyjnych nożowych:

    - KVL-00… - ZI 00 160A (004941211), NVLI 00 (004941220)
    - KVL-1… - ZI 1 250A (004941213), NVLI 1 (004941222)
    - KVL-2… - ZI 2 400A (004941214), NVLI 2 (004941223)
    - KVL-3… - ZI 3 630A (004941240), NVLI 3 (004941224)
    ZI 00 160A,
    NVLI 00
  • Prąd znamionowy [A]:
  • Ustalona przez producenta wartość prądu, który aparat może przewodzić podczas pracy ciągłej, przy określonej temperaturze odniesienia otaczającego powietrza.
    160
  • Napięcie znamionowe AC [V]:
  • Napięcie znamionowe prądu przemiennego AC to wartość napięcia elektrycznego określona dla danego urządzenia, która jest zalecana lub maksymalnie dopuszczalna do prawidłowego i bezpiecznego działania. Jest to wartość, która jest podawana przez producenta urządzenia i jest uwzględniana w procesie jego projektowania i użytkowania.
    690
  • Napięcie znamionowe DC [V]:
  • Napięcie znamionowe prądu stałego DC to wartość napięcia elektrycznego określona dla danego urządzenia, która jest zalecana lub maksymalnie dopuszczalna do prawidłowego i bezpiecznego działania. Jest to wartość, która jest podawana przez producenta urządzenia i jest uwzględniana w procesie jego projektowania i użytkowania.
    440
  • Napięcie Uimp [kV]:
  • Wartość szczytowa udaru napięciowego o określonym kształcie i biegunowości, który aparat elektryczny jest w stanie wytrzymać bez uszkodzenia w określonych warunkach probierczych, do której się odnoszą wartości odstępów izolacyjnych.
    8
  • Pa [W]:
  • Maksymalne dopuszczalne straty mocy na wkładkę topikową. Moc wydzielona we wkładce topikowej obciążonej prądem znamionowym In po osiągnięciu przez wkładkę temperatury ustalonej.
    12
  • Pv [W]:
  • Całkowita strata mocy przy Ith (bez wkładki topikowej).
    6
  • Temperatura otoczenia [˚C]:
  • Określona w danych warunkach temperatura powietrza otaczającego kompletny łącznik. W przypadku łączników zainstalowanych wewnątrz obudowy jest to temperatura powietrza na zewnątrz obudowy.
    -25 do +55
  • Stopień ochrony IP:
  • Stopień ochrony przed dostępem do części niebezpiecznych i przed wnikaniem obcych ciał stałych i/lub przed wnikaniem wody określony zgodnie z normą EN 60529.

    IP20 - w stanie pracy.
    IP10 - z otwartą pokrywą.
    IP20/IP10
  • Przyłącze kablowe:
  • płaskie, M8
  • Zakładany tryb pracy:
  • praca ciągła
  • Pozycja pracy:
  • Dozwolona pozycja pracy apratu.
    poziomy, pionowy
    left box

    Zdjęcie produktu

    left box

    Zalety produktu

    Ooops... ERROR 404 (IMG not found)
    Ooops... ERROR 404 (IMG not found)
    Ooops... ERROR 404 (IMG not found)
    Ooops... ERROR 404 (IMG not found)
    Ooops... ERROR 404 (IMG not found)
    Ooops... ERROR 404 (IMG not found)
    Ooops... ERROR 404 (IMG not found)
    Ooops... ERROR 404 (IMG not found)
    Ooops... ERROR 404 (IMG not found)
    Ooops... ERROR 404 (IMG not found)
    Ooops... ERROR 404 (IMG not found)
    • Łatwy pomiar napięcia. Przesuwane okienka w mechanizmie wychylnym ułatwiają pomiar napięcia. Stopień ochrony IP20 nie ulega zmniejszeniu.
    • Ochrona przed nie autoryzowaną obsługą. Możliwość montażu kłódki uniemożliwiającej niepożądane uruchomienie.
    • Bezpieczna pozycja „parking“ mechanizmu wychylnego.
    • Szybki montaż rozłącznika KVL-00... i KVL-1... na dwóch szynach DIN dzięki dodatkowemu zestawowi DIN KVL-... 100-150.
    • Jednakowe wymiary okna w maskownicy dla wszystkich wielkości rozłączników. Różne głębokości zabudowy (32mm, 60mm, 70mm, 90mm) i montażu maskownic.
    • Specjalne wykonanie rozłącznika (KVL-B/FT…) z przyłączem zasilającym przelotowo i na szyny prądowe. Nośniki szyn prądowych można całkowicie dopasować do konkretnych wymiarów szyn.
    • Dopasowanie na szyny o grubości 5 lub 10 mm (KVL-B…). Łatwa zamiana odpływu górnego na dolny i odwrotnie.
    • Możliwość montażu dwóch sygnalizatorów stanu załączenia aparatu. Szeroki obszar zastosowań dzięki dużej możliwości łączeniowej 10/3A (rezyst./ind.)
    • Dostępne wykonania 1P, 2P, 3P, 4P w zależnośći od rozmiaru.
    • Rozłączniki bezpiecznikowe KVL przeznaczone są dla wkładek bezpiecznikowych NH i zwieraczy instalacyjnych nożowych ZI:
      - KVL-00… - ZI 00 160A (004941211), NVLI 00 (004941220)
      - KVL-1… - ZI 1 250A (004941213), NVLI 1 (004941222)
      - KVL-2… - ZI 2 400A (004941214), NVLI 2 (004941223)
      - KVL-3… - ZI 3 630A (004941240), NVLI 3 (004941224)
    left box

    Poznaj rozłączniki bezpiecznikowe skrzynkowe KVL

    Jak montować rozłączniki? Jakie są dostępne akcesoria?

    Zobacz możliwości montażu i poznaj dostępne akcesoria dla rozłaczników KVL!

    left box

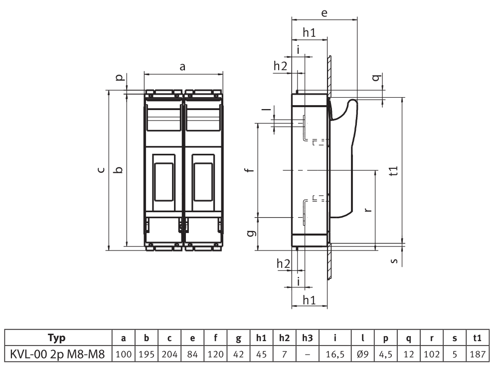
    Rysunek wymiarowy

    left box

    Rozłączniki KVL montowane na szynach prądowych

    left box

    Rozłączniki KVL montowane na płytę montażową

    left box

    ETIsON Curves

    Fukcjonalności programu:
    • generowanie i wykreślanie charakterystyk t/I urządzeń zabezpieczających
    • regulowanie i testowanie nastaw zabezpieczeń, badanie wpływu zmiany kształtu krzywej zabezpieczeń
    • analizowanie selektywności między urządzeniami zabezpieczającymi
    • symulowanie reakcji obciążenia lub zwarcia urządzeń zabezpieczających
    • definiowanie punktów pracy i warunków granicznych z rzeczywistych aplikacji
    • sporządzanie raportów do dokumentacji projektowej