Niezawodne i sprawdzone ograniczniki przepięć ETITEC C T2
Ograniczniki przepięć ETITEC C T2 są przeznaczone do zastosowania wewnętrznego w podrozdzielnicy jako ograniczniki typu 2 zgodnie z normą EN 61643-11 oraz jako stopień II zgodnie z normą IEC 61643-11. Stanowią drugi stopień zabezpieczenia przed przepięciami wywołanymi pośrednim wyładowaniem atmosferycznym lub przepięciami łączeniowymi. W przypadku uszkodzenia urządzenia aktywuje się wewnętrzne zabezpieczenie termiczne oraz sygnalizacja uszkodzenia. W takiej sytuacji wymienia się wyłącznie wstawkę warystorową, bez konieczności wymiany podstawy, która jest zamocowana na szynie TH35. Ogranicznik ETITEC C T2 255/20 G to ogranicznik iskiernikowy przeznaczony do zabezpieczenia przed przepięciami wywołanymi pośrednim wyładowaniem atmosferycznym. Zapewnia galwaniczne odseparowanie przewodu N od przewodu PE w układzie sieci TT.
Parametry techniczne
  • Numer katalogowy:
  • Indywidualny numer indentyfikacyjny nadany przez producenta.
    002440393
  • Symbol artykułu:
  • Typ produktu określony przez producenta.
    ETITEC C T2 275/20 1+0
  • Typ wg EN/IEC:
  • Ograniczniki typu T2 (II) to rozwiązanie przeznaczone do zabezpieczenia przed przepięciami wywołanymi pośrednim wyładowaniem atmosferycznym lub przepięciami łączeniowymi.
    T2, II
  • Najwyższe napięcie trwałej pracy Uc [V]:
  • Maksymalne napięcie, jakie może być trwale przykładane do ogranicznika przepięć bez zadziałania
    275
  • Napięcie znamionowe Un [V]:
  • Standardowe napięcie, dla którego urządzenie zostało zaprojektowane do pracy.
    230
  • Przepięcie dorywcze TOV UT:
  • TOV (Temporary OverVoltage) to przepięcia przemijające o podwyższonym napięciu. Występują np.: na skutek zaniku przewodu neutralnego, asymetrii w sieci lub nieprawidłowej pracy urządzeń.
    442V/120min
    bezpieczne odłaczenie
  • Znamionowy prąd wyładowczy 8/20μs In [kA]:
  • Prąd wyładowczy o impulsie 8/20 μs, jaki urządzenie może wytrzymać wielokrotnie podczas normalnej pracy.
    20
  • Maksymalny prąd wyładowczy 8/20μs Imax [kA]:
  • Najwyższy prąd impulsowy (8/20μs), jaki urządzenie może odprowadzić jednokrotnie bez uszkodzenia.
    40
  • Poziom ochrony Up [kV]:
  • Maksymalne napięcie, jakie pojawi się na wyjściu ogranicznika podczas zadziałania
    <1,5
  • Wewnętrze zabezpieczenie termiczne:
  • Zintegrowany układ, który odłącza ogranicznik od instalacji w przypadku przegrzania, zapobiegając jego uszkodzeniu lub pożarowi.
    tak
  • Zabezpieczenie wstępne jeżeli zab. główne jest > 125A:
  • Wskazanie, że wymagane jest dodatkowe zabezpieczenie przy prądzie głównym powyżej 125A.
    125A gG (max.)
  • Stopień ochrony IP:
  • Klasa szczelności obudowy określająca odporność na wnikanie ciał stałych i wody.
    IP20
  • Technologia elementu zabezpieczającego:
  • Wskazuje na rodzaj zastosowanego komponentu wewnętrznego w ograniczniku przepięć. W technice nn używa się głównie trzech typów: warystory (MOV), iskierniki (GDT), kombinowane (MOV+GDT).
    MOV
  • Ilość biegunów:
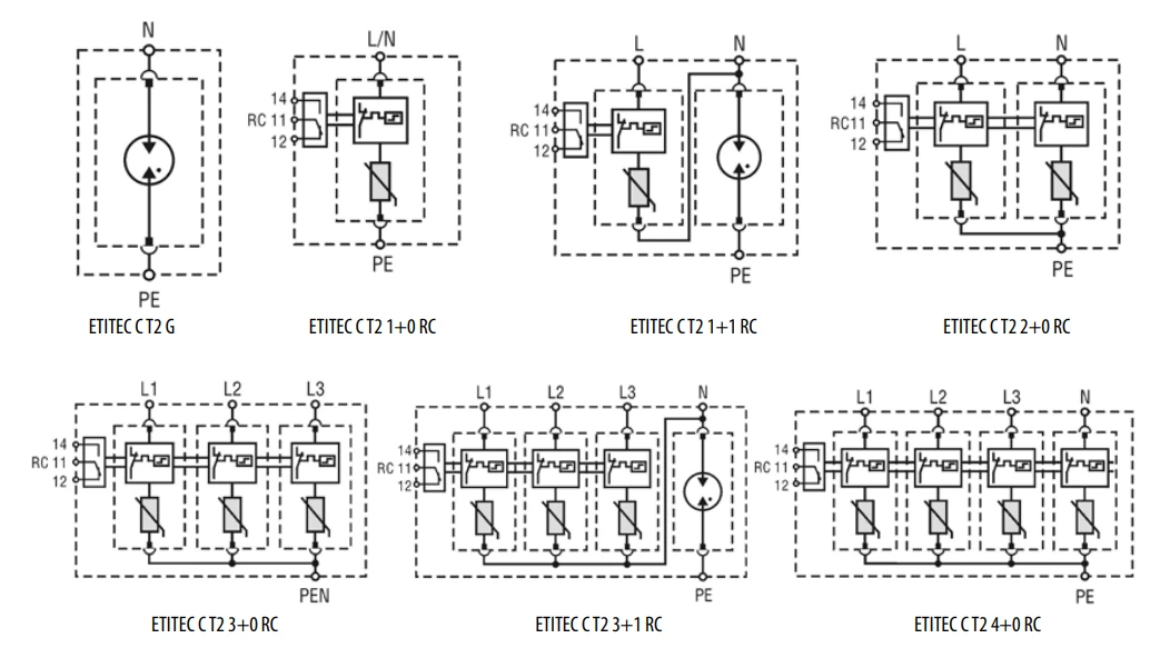
  • Ograniczniki przepięć występują w wersji 1, 2, 3 lub 4 polowej.
    1
  • Ilość modułów:
  • Szerokość aparatu wyrażona w ilości typowych modułów 18 milimetrów.
    1
  • Układ wewnętrzny:
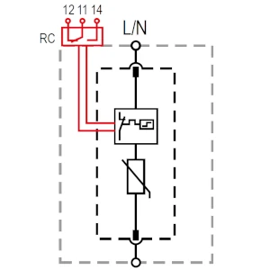
  • Pierwsza cyfra w oznaczeniu 1+0, 2+0, itp. oznacza ilość modułów z warystorami, 2-ga cyfra 1 oznacza biegun N-PE z iskiernikiem.
    1+0
    left box

    Zdjęcie produktu

    left box

    Zalety produktu

    Ooops... ERROR 404 (IMG not found)
    Ooops... ERROR 404 (IMG not found)
    Ooops... ERROR 404 (IMG not found)
    Ooops... ERROR 404 (IMG not found)
    Ooops... ERROR 404 (IMG not found)
    Ooops... ERROR 404 (IMG not found)
    Ooops... ERROR 404 (IMG not found)
    Ooops... ERROR 404 (IMG not found)
    Ooops... ERROR 404 (IMG not found)
    Ooops... ERROR 404 (IMG not found)
    • Każdy ogranicznik przepięć zawiera ochronę termiczną, która odłącza go od sieci, jeśli prąd przekroczy maksymalną dopuszczalną wartość (Imax).
    • Wykonane z wysokiej jakości warystorów.
    • Oznaczenie zawiera kluczowe parametry techniczne i szczegóły dotyczące połączenia, w tym maksymalne przekroje przewodów: 35 mm² (drut) i 25 mm² (wielodrut).
    • Wskaźnik stanu warystora: czerwony – uszkodzenie, zielony – sprawny.
    • Wszystkie ograniczniki przepięć posiadają elementy pozycjonujące, zapobiegające niewłaściwemu montażowi modułów innego ogranicznika przepięć.
    • Iskiernik (GDT) jest stosowany jako izolacja galwaniczna pomiędzy przewodami N i PE w ukłdach sieci TT.
    • Wyjmowane samozatrzaskowe styki do zdalnego sygnalizowania uszkodzeń (RC). Tylko dla typu ETIETC C T2 275/20…RC.
    • Metalowy zatrzask do szybkiego montażu na szynie DIN.
    • Specjalne szyny zbiorcze IZ16/.../ETITEC do połączenia jednobiegunowych aparatów.
    left box

    Rysunek wymiarowy

    left box

    Układy wewnętrzne

    left box

    ETIsON Curves

    Fukcjonalności programu:
    • generowanie i wykreślanie charakterystyk t/I urządzeń zabezpieczających
    • regulowanie i testowanie nastaw zabezpieczeń, badanie wpływu zmiany kształtu krzywej zabezpieczeń
    • analizowanie selektywności między urządzeniami zabezpieczającymi
    • symulowanie reakcji obciążenia lub zwarcia urządzeń zabezpieczających
    • definiowanie punktów pracy i warunków granicznych z rzeczywistych aplikacji
    • sporządzanie raportów do dokumentacji projektowej