Ogranicznik przepięć POP 4 255 C40 POP 4 255 C40 
                        
                        
                            
    
    
        Informacja 
        Wartość 
     
     
    
    
        Dostawca 
        
            
                DEHN Polska Sp. z o.o.             
                                 
     
        
        Symbol 
        900767 
     
                
                Kod GTIN (EAN) 
                4013364156180 
             
                
        Jednostka 
        sztuka 
     
                
                Cena katalogowa 
                
                    2 015,47 zł  (1 638,59 zł + 23% VAT)                 
             
                 
                         
                     
                 
                
                    Podane ceny nie stanowią oferty w rozumieniu kodeksu cywilnego. Ceny zakupu danego towaru mogą się różnić od wyświetlonych.                
                
                                    
                        
                        
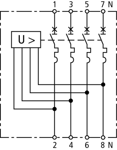
                            Kompletna, gotowa do podłączenia jednostka, poszczególne urządzenia wchodzące w jej skład nie wymagają okablowania. Do instalacji, w których ochronę przed przepięciami przejściowymi zapewniają już inne środki. Spełnia wymagania normy EN 50550 dla „urządzeń zabezpieczających przed przepięciami o częstotliwości sieciowej”. Do stosowania zgodnie ze strefową koncepcją ochrony odgromowej jako przejście pomiędzy strefami 0B-1 i wyżej. 
                        
                     
                                        
            
            
                
                    
                    
                        Informacja 
                        Wartość 
                     
                     
                    
                                                
                                Waga brutto: 
                                586 g 
                             
                                                            
                                    Kraj pochodzenia 
                                    Francja 
                                 
                                                                
                                    Klasa ETIM: 
                                    Wyłącznik nadprądowy 
                                     
                                                            
                                Charakterystyka wyzwalania: 
                                C                                 
                             
                                                    
                                Liczba biegunów (całkowita): 
                                4                                 
                             
                                                    
                                Liczba biegunów chronionych: 
                                4                                 
                             
                                                    
                                Prąd znamionowy: 
                                40 A                                 
                             
                                                    
                                Napięcie znamionowe: 
                                400 V                                 
                             
                                                    
                                Znamionowa zwarciowa zdolność łączeniowa Icn zgodnie z EN 60898 przy 230 V: 
                                6 kA                                 
                             
                                                    
                                Rodzaj napięcia: 
                                AC                                 
                             
                                                    
                                Zakres częstotliwości: 
                                50 - 50 Hz                                 
                             
                                                    
                                Montaż podtynkowy: 
                                nie                                 
                             
                                                    
                                Jednocześnie rozłączany biegun N: 
                                tak                                 
                             
                                                    
                                Możliwość dodatkowego wyposażenia: 
                                nie                                 
                             
                                                    
                                Szerokość wyrażona liczbą modułów: 
                                7                                 
                             
                                                    
                                Stopień ochrony (IP): 
                                IP20                                 
                             
                                                    
                                Wykonanie przeciwwybuchowe: 
                                nie                                 
                             
                                             
                
             
         
    
                                
                    
                                        
                    
                    
                                        
                                
                Poniższe hurtownie nie posiadają tego towaru aktualnie w magazynie. Możesz jednak się z nimi skontaktować i zamówić ten towar.            
            
    Zamów 
    
        
                        
                    
                                                
                                
                                    
                                        oddziałów: 7 
                                     
                                 
                                                                    
                                                                    
                                        
                                            
                                                
                                                
                                                    
                                                        Nowy Sącz, Grunwaldzka 243                                                    
                                                 
                                                
                                                
                                             
                                         
                                     
                                                                    
                                        
                                            
                                                
                                                
                                                    
                                                        Nowy Targ, Al.Tysiąclecia 97                                                    
                                                 
                                                
                                                
                                             
                                         
                                     
                                                                    
                                        
                                            
                                                
                                                
                                                    
                                                        Przemysl, Konopnickiej 25                                                    
                                                 
                                                
                                                
                                             
                                         
                                     
                                                                    
                                                                    
                                        
                                            
                                                
                                                
                                                    
                                                        Staszów, ul.Tadeusza Kościuszki 2                                                    
                                                 
                                                
                                                
                                             
                                         
                                     
                                                                    
                                        
                                            
                                                
                                                
                                                    
                                                        Sandomierz, Mickiewicza 52                                                    
                                                 
                                                
                                                
                                             
                                         
                                     
                                                             
                                         
                            
                    
                                                
                                
                                    
                                        oddziałów: 13 
                                     
                                 
                                                                    
                                                                    
                                        
                                            
                                                
                                                
                                                    
                                                        Gliwice, ul. Bojkowska 53                                                    
                                                 
                                                
                                                
                                             
                                         
                                     
                                                                    
                                        
                                            
                                                
                                                
                                                    
                                                        Wrocław, ul. Stargardzka 2                                                    
                                                 
                                                
                                                
                                             
                                         
                                     
                                                                    
                                        
                                            
                                                
                                                
                                                    
                                                        Katowice, Konduktorska 42                                                    
                                                 
                                                
                                                
                                             
                                         
                                     
                                                                    
                                        
                                            
                                                
                                                
                                                    
                                                        Kraków, Powstańców Wlkp. 7a                                                    
                                                 
                                                
                                                
                                             
                                         
                                     
                                                                    
                                        
                                            
                                                
                                                
                                                    
                                                        Łódź, ul. Pogonowskiego 56/58                                                    
                                                 
                                                
                                                
                                             
                                         
                                     
                                                                    
                                        
                                            
                                                
                                                
                                                    
                                                        Gdynia, Chwaszczyńska 170d                                                    
                                                 
                                                
                                                
                                             
                                         
                                     
                                                                    
                                        
                                            
                                                
                                                
                                                    
                                                        Dąbrowa Górnicza, Oddziału AK Ordona 318                                                    
                                                 
                                                
                                                
                                             
                                         
                                     
                                                                    
                                        
                                            
                                                
                                                
                                                    
                                                        Częstochowa, ul. Rydza Śmigłego 40                                                    
                                                 
                                                
                                                
                                             
                                         
                                     
                                                                    
                                                                    
                                                                    
                                                                    
                                                             
                                         
                            
                    
                        
                        
                            Białystok,
                            ul. Handlowa 6C                        
                        
                        
                     
                                                
                                
                                    
                                        oddziałów: 2 
                                     
                                 
                                                                    
                                                                    
                                                             
                                         
                            
                    
                                                
                                
                                    
                                        oddziałów: 5 
                                     
                                 
                                                                    
                                                                    
                                                                    
                                        
                                            
                                                
                                                    
                                                        KABIS O/Połczyńska Warszawa                                                    
                                                 
                                                
                                                
                                                
                                             
                                         
                                     
                                                                    
                                        
                                            
                                                
                                                    
                                                        KABIS O/Grochowska Warszawa                                                    
                                                 
                                                
                                                
                                                
                                             
                                         
                                     
                                                                    
                                        
                                            
                                                
                                                    
                                                        KABIS O/Chełmska Warszawa                                                    
                                                 
                                                
                                                
                                                
                                             
                                         
                                     
                                                             
                                         
                            
                    
                        
                        
                            Limanowa,
                            ul. Tarnowska 9D                        
                        
                        
                     
                                                
                                
                                    
                                        oddziałów: 10 
                                     
                                 
                                                                    
                                        
                                            
                                                
                                                    
                                                        Elektret Limanowa Centrala                                                    
                                                 
                                                
                                                
                                                
                                             
                                         
                                     
                                                                    
                                        
                                            
                                                
                                                    
                                                        Elektret O/Limanowa Salon                                                    
                                                 
                                                
                                                    
                                                        Limanowa, Józefa Marka 20                                                    
                                                 
                                                
                                                
                                             
                                         
                                     
                                                                    
                                        
                                            
                                                
                                                    
                                                        Elektret O/Limanowa Sklep                                                    
                                                 
                                                
                                                    
                                                        Limanowa, Jana Pawła II 5a                                                    
                                                 
                                                
                                                
                                             
                                         
                                     
                                                                    
                                        
                                            
                                                
                                                
                                                    
                                                        Mszana Dolna, Starowiejska 39                                                    
                                                 
                                                
                                                
                                             
                                         
                                     
                                                                    
                                        
                                            
                                                
                                                
                                                    
                                                        Myślenice, Słowackiego 96b                                                    
                                                 
                                                
                                                
                                             
                                         
                                     
                                                                    
                                                                    
                                                                    
                                                                    
                                                                    
                                                             
                                         
                            
                    
                                                
                                
                                    
                                        oddziałów: 10 
                                     
                                 
                                                                    
                                                                    
                                        
                                            
                                                
                                                
                                                    
                                                        Śrem, pl. 20 Października 35,                                                    
                                                 
                                                
                                                
                                             
                                         
                                     
                                                                    
                                        
                                            
                                                
                                                    
                                                        Elektra o/Poznań Piątkowska                                                    
                                                 
                                                
                                                    
                                                        Poznań, ul. Piątkowska 149                                                    
                                                 
                                                
                                                
                                             
                                         
                                     
                                                                    
                                        
                                            
                                                
                                                
                                                    
                                                        Wrocław, ul. Muchoborska 18 budynek Gamma I piętro, pok.G-1.55.1                                                    
                                                 
                                                
                                                
                                             
                                         
                                     
                                                                    
                                                                    
                                        
                                            
                                                
                                                
                                                    
                                                        Lębork, Al. Niepodległości 8                                                    
                                                 
                                                
                                                
                                             
                                         
                                     
                                                                    
                                        
                                            
                                                
                                                
                                                    
                                                        Turek, ul. Milewskiego 14                                                    
                                                 
                                                
                                                
                                             
                                         
                                     
                                                                    
                                        
                                            
                                                
                                                
                                                    
                                                        Koszalin, Gnieźnieńska 106                                                    
                                                 
                                                
                                                
                                             
                                         
                                     
                                                                    
                                        
                                            
                                                
                                                
                                                    
                                                        Piotrków Trybunalski, ul. Kostromska 39A                                                    
                                                 
                                                
                                                
                                             
                                         
                                     
                                                                    
                                        
                                            
                                                
                                                
                                                    
                                                        Swarzędz, ul. Graniczna 63                                                    
                                                 
                                                
                                                
                                             
                                         
                                     
                                                             
                                         
                            
                    
                                                
                                
                                    
                                        oddziałów: 6 
                                     
                                 
                                                                    
                                                                    
                                                                    
                                                                    
                                                                    
                                                                    
                                        
                                            
                                                
                                                    
                                                        MEGA O/Nowy Sącz-Krakowska                                                    
                                                 
                                                
                                                
                                                
                                             
                                         
                                     
                                                             
                                         
                            
                    
                        
                        
                            Szaflary,
                            ul. Zakopiańska 18                        
                        
                        
                     
                                                
                                
                                    
                                        oddziałów: 2 
                                     
                                 
                                                                    
                                        
                                            
                                                
                                                
                                                    
                                                        Szaflary, ul. Zakopiańska 18                                                    
                                                 
                                                
                                                
                                             
                                         
                                     
                                                                    
                                        
                                            
                                                
                                                
                                                    
                                                        Zakopane, ul. Szymony 25 a                                                    
                                                 
                                                
                                                
                                             
                                         
                                     
                                                             
                                         
                            
                    
                        
                        
                            Piaseczno,
                            ul.Jana Pawła II 62                        
                        
                        
                     
                                                
                                
                                    
                                        oddziałów: 1 
                                     
                                 
                                                                    
                                        
                                            
                                                
                                                
                                                    
                                                        Piaseczno, Jana Pawła II 62                                                    
                                                 
                                                
                                                
                                             
                                         
                                     
                                                             
                                         
                            
                    
                        
                        
                            Białystok,
                            ul. Baranowicka 115                         
                        
                        
                     
                                                
                                
                                    
                                        oddziałów: 6 
                                     
                                 
                                                                    
                                        
                                            
                                                
                                                
                                                    
                                                        Białystok, Baranowicka 115                                                    
                                                 
                                                
                                                
                                             
                                         
                                     
                                                                    
                                        
                                            
                                                
                                                
                                                    
                                                        Augustów, ul. Nadrzeczna 3                                                    
                                                 
                                                
                                                
                                             
                                         
                                     
                                                                    
                                        
                                            
                                                
                                                
                                                    
                                                        Sokółka, ul. Mariańska 32                                                    
                                                 
                                                
                                                
                                             
                                         
                                     
                                                                    
                                        
                                            
                                                
                                                
                                                    
                                                        Zambrów, ul. Legionowa 9A                                                    
                                                 
                                                
                                                
                                             
                                         
                                     
                                                                    
                                        
                                            
                                                
                                                    
                                                        ELHURT-ELMET o/Siemiatycze                                                    
                                                 
                                                
                                                    
                                                        Siemiatycze, ul. Tadeusza Kościuszki 31                                                    
                                                 
                                                
                                                
                                             
                                         
                                     
                                                                    
                                                             
                                         
                            
                    
                        
                        
                            Warszawa,
                            ul. Spisaka 11A                        
                        
                        
                     
                                                
                                
                                    
                                        oddziałów: 2 
                                     
                                 
                                                                    
                                                                    
                                                             
                                         
                            
                    
                        
                        
                            Gniezno,
                            ul. Słoneczna 40a                        
                        
                        
                     
                                                
                                
                                    
                                        oddziałów: 15 
                                     
                                 
                                                                    
                                        
                                            
                                                
                                                    
                                                        ELEKTRO-HURT Gniezno/magazyn centralny/                                                    
                                                 
                                                
                                                    
                                                        Gniezno, Słoneczna 40a  magazyn centralny                                                    
                                                 
                                                
                                                
                                             
                                         
                                     
                                                                    
                                                                    
                                                                    
                                                                    
                                        
                                            
                                                
                                                
                                                    
                                                        Komorniki, Kolejowa 187/189                                                    
                                                 
                                                
                                                
                                             
                                         
                                     
                                                                    
                                        
                                            
                                                
                                                
                                                    
                                                        Witkowo, Powstańców Wielkopolskich 2                                                    
                                                 
                                                
                                                
                                             
                                         
                                     
                                                                    
                                                                    
                                                                    
                                                                    
                                                                    
                                        
                                            
                                                
                                                
                                                    
                                                        Sieradz, Polskiej Organizacji Wojskowej 60                                                    
                                                 
                                                
                                                
                                             
                                         
                                     
                                                                    
                                                                    
                                        
                                            
                                                
                                                    
                                                        ELEKTRO-HURT o/Częstochowa                                                    
                                                 
                                                
                                                    
                                                        Częstochowa, Piotrkowska 16                                                    
                                                 
                                                
                                                
                                             
                                         
                                     
                                                                    
                                        
                                            
                                                
                                                    
                                                        ELEKTRO-HURT o/Inowrocław                                                    
                                                 
                                                
                                                    
                                                        Inowrocław, Marcinkowskiego 111                                                    
                                                 
                                                
                                                
                                             
                                         
                                     
                                                                    
                                                             
                                         
                            
                    
                        
                        
                            Legionowo Michałów Reginów,
                            ul. Warszawska 10 B                        
                        
                        
                     
                                                
                                
                                    
                                        oddziałów: 7 
                                     
                                 
                                                                    
                                        
                                            
                                                
                                                    
                                                        DORIAN DKL Sp. z o.o. - centrala Legionowo                                                    
                                                 
                                                
                                                    
                                                        Legionowo Michałów-Reginów, Warszawska 10B                                                    
                                                 
                                                
                                                
                                             
                                         
                                     
                                                                    
                                        
                                            
                                                
                                                    
                                                        DORIAN DKL Sp. z o.o. - oddział Ciechanów                                                    
                                                 
                                                
                                                
                                                
                                             
                                         
                                     
                                                                    
                                        
                                            
                                                
                                                    
                                                        DORIAN DKL Sp. z o.o. - oddział Ostrołęka                                                    
                                                 
                                                
                                                
                                                
                                             
                                         
                                     
                                                                    
                                        
                                            
                                                
                                                    
                                                        DORIAN DKL Sp. z o.o. - oddział Warszawa-Wawer                                                    
                                                 
                                                
                                                
                                                
                                             
                                         
                                     
                                                                    
                                        
                                            
                                                
                                                    
                                                        DORIAN DKL Sp. z o.o. - oddział Mława                                                    
                                                 
                                                
                                                
                                                
                                             
                                         
                                     
                                                                    
                                        
                                            
                                                
                                                    
                                                        DORIAN DKL Sp. z o.o. - oddział Płock                                                    
                                                 
                                                
                                                
                                                
                                             
                                         
                                     
                                                                    
                                        
                                            
                                                
                                                    
                                                        DORIAN DKL Sp. z o.o. - oddział Łomianki                                                    
                                                 
                                                
                                                    
                                                        Łomianki Kiełpin Poduchowny, Warszawska 380                                                    
                                                 
                                                
                                                
                                             
                                         
                                     
                                                             
                                         
                            
                    
                        
                        
                            Rzeszów,
                            ul. Podkarpacka 61                        
                        
                        
                     
                                                
                                
                                    
                                        oddziałów: 4 
                                     
                                 
                                                                    
                                        
                                            
                                                
                                                
                                                    
                                                        Rzeszów, ul. Podkarpacka 61                                                    
                                                 
                                                
                                                
                                             
                                         
                                     
                                                                    
                                                                    
                                        
                                            
                                                
                                                
                                                    
                                                        Sanok, ul. Lipińskiego 73                                                    
                                                 
                                                
                                                
                                             
                                         
                                     
                                                                    
                                        
                                            
                                                
                                                
                                                    
                                                        Rzeszów, ul. Podkarpacka 61                                                    
                                                 
                                                
                                                
                                             
                                         
                                     
                                                             
                                         
                            
                    
                                                
                                
                                    
                                        oddziałów: 1 
                                     
                                 
                                                                    
                                                             
                                         
                            
                    
                                                
                                
                                    
                                        oddziałów: 2 
                                     
                                 
                                                                    
                                                                    
                                                             
                                         
                            
                    
                        
                        
                            Bielsko-Biała,
                            ul. Legionów 93                        
                        
                        
                     
                                                
                                
                                    
                                        oddziałów: 3 
                                     
                                 
                                                                    
                                        
                                            
                                                
                                                    
                                                        KARO ELEKTRO PLUS Bielsko-Biała                                                    
                                                 
                                                
                                                    
                                                        Bielsko-Biała, Legionów 93                                                    
                                                 
                                                
                                                
                                             
                                         
                                     
                                                                    
                                                                    
                                        
                                            
                                                
                                                    
                                                        KARO ELEKTRO PLUS O/Kraków                                                    
                                                 
                                                
                                                    
                                                        Kraków, Klimeckiego 14, Pawilon D                                                    
                                                 
                                                
                                                
                                             
                                         
                                     
                                                             
                                         
                            
                    
                        
                        
                            Kraków,
                            ul. Albatrosów 13                        
                        
                        
                     
                                                
                                
                                    
                                        oddziałów: 7 
                                     
                                 
                                                                    
                                                                    
                                                                    
                                        
                                            
                                                
                                                    
                                                        Dynamik O/Kraków - Wydział projektowy                                                    
                                                 
                                                
                                                
                                                
                                             
                                         
                                     
                                                                    
                                                                    
                                                                    
                                        
                                            
                                                
                                                    
                                                        Dynamik O/Kraków - Produkcja rozdzielnic                                                    
                                                 
                                                
                                                
                                                
                                             
                                         
                                     
                                                                    
                                        
                                            
                                                
                                                
                                                    
                                                        Sieradz, Polskiej Organizacji Wojskowej 32                                                    
                                                 
                                                
                                                
                                             
                                         
                                     
                                                             
                                         
                            
                    
                                                
                                
                                    
                                        oddziałów: 1 
                                     
                                 
                                                                    
                                                             
                                         
                            
                    
                        
                        
                            Suwałki,
                            ul. Mickiewicza 10                        
                        
                        
                     
                                                
                                
                                    
                                        oddziałów: 2 
                                     
                                 
                                                                    
                                        
                                            
                                                
                                                
                                                    
                                                        Suwałki, ul. Mickiewicza 10                                                     
                                                 
                                                
                                                
                                             
                                         
                                     
                                                                    
                                                             
                                         
                            
                    
                        
                        
                            Gorzów Wielkopolski,
                            Żwirowa 15-17                        
                        
                        
                     
                                                
                                
                                    
                                        oddziałów: 1 
                                     
                                 
                                                                    
                                        
                                            
                                                
                                                    
                                                        ANMAR Gorzów Wielkopolski                                                    
                                                 
                                                
                                                    
                                                        Gorzów Wielkopolski, Żwirowa 15-17                                                    
                                                 
                                                
                                                
                                             
                                         
                                     
                                                             
                                         
                            
                    
                                                
                                
                                    
                                        oddziałów: 4 
                                     
                                 
                                                                    
                                        
                                            
                                                
                                                    
                                                        Bychowo-Hel Hurtownia Elektryczna o/Kwidzyn                                                    
                                                 
                                                
                                                
                                                
                                             
                                         
                                     
                                                                    
                                        
                                            
                                                
                                                    
                                                        Bychowo-Hel Hurtownia Elektryczna o/Bydgoszcz                                                    
                                                 
                                                
                                                
                                                
                                             
                                         
                                     
                                                                    
                                        
                                            
                                                
                                                    
                                                        Bychowo-Hel Hurtownia Elektryczna o/Kościerzyna                                                    
                                                 
                                                
                                                
                                                
                                             
                                         
                                     
                                                                    
                                        
                                            
                                                
                                                    
                                                        Bychowo-Hel Hurtownia Elektryczna o/Grudziądz                                                    
                                                 
                                                
                                                    
                                                        Grudziądz, Droga Łąkowa 25                                                    
                                                 
                                                
                                                
                                             
                                         
                                     
                                                             
                                         
                            
                    
                        
                        
                            Bielsko-Biała,
                            ul. Katowicka 180                        
                        
                        
                     
                                                
                                
                                    
                                        oddziałów: 6 
                                     
                                 
                                                                    
                                        
                                            
                                                
                                                
                                                    
                                                        Bielsko-Biała, Katowicka 180                                                    
                                                 
                                                
                                                
                                             
                                         
                                     
                                                                    
                                                                    
                                                                    
                                                                    
                                                                    
                                                             
                                         
                            
                    
                                                
                                
                                    
                                        oddziałów: 5 
                                     
                                 
                                                                    
                                                                    
                                        
                                            
                                                
                                                
                                                    
                                                        Biała Podlaska, Handlowa 1                                                    
                                                 
                                                
                                                
                                             
                                         
                                     
                                                                    
                                                                    
                                                                    
                                                             
                                         
                            
                    
                                                
                                
                                    
                                        oddziałów: 3 
                                     
                                 
                                                                    
                                        
                                            
                                                
                                                    
                                                        Lemar Electric Sp. z o.o.                                                    
                                                 
                                                
                                                
                                                
                                             
                                         
                                     
                                                                    
                                        
                                            
                                                
                                                    
                                                        Lemar Electric sp. z o.o. Kielce                                                    
                                                 
                                                
                                                
                                                
                                             
                                         
                                     
                                                                    
                                        
                                            
                                                
                                                    
                                                        Lemar Electric Sp. z o.o. Czeladź                                                    
                                                 
                                                
                                                
                                                
                                             
                                         
                                     
                                                             
                                         
                            
                    
                                                
                                
                                    
                                        oddziałów: 15 
                                     
                                 
                                                                    
                                                                    
                                                                    
                                                                    
                                        
                                            
                                                
                                                
                                                    
                                                        GDAŃSK, Marynarki Polskiej 82/84                                                    
                                                 
                                                
                                                
                                             
                                         
                                     
                                                                    
                                                                    
                                        
                                            
                                                
                                                
                                                    
                                                        OLECKO, Wojska Polskiego 3                                                    
                                                 
                                                
                                                
                                             
                                         
                                     
                                                                    
                                                                    
                                        
                                            
                                                
                                                
                                                    
                                                        MRĄGOWO, Wojska Polskiego 6i                                                    
                                                 
                                                
                                                
                                             
                                         
                                     
                                                                    
                                                                    
                                                                    
                                        
                                            
                                                
                                                
                                                    
                                                        TCZEW, Armii Krajowej 84A                                                    
                                                 
                                                
                                                
                                             
                                         
                                     
                                                                    
                                        
                                            
                                                
                                                    
                                                        ELEKTRYK STAROGARD GDAŃSKI                                                    
                                                 
                                                
                                                    
                                                        STAROGARD GDAŃSKI, Norwida 1                                                    
                                                 
                                                
                                                
                                             
                                         
                                     
                                                                    
                                                                    
                                                                    
                                                             
                                         
                            
                    
                        
                        
                            Tarnów,
                            ul. Mościckiego 155                        
                        
                        
                     
                                                
                                
                                    
                                        oddziałów: 4 
                                     
                                 
                                                                    
                                                                    
                                                                    
                                                                    
                                                             
                                         
                            
                    
                        
                        
                            Chodzież,
                            ul. Żeromskiego 14                        
                        
                        
                     
                                                
                                
                                    
                                        oddziałów: 7 
                                     
                                 
                                                                    
                                        
                                            
                                                
                                                    
                                                        Elektro Dom Hurtownia Chodzież                                                    
                                                 
                                                
                                                    
                                                        CHODZIEŻ, ul. Grudzińskich 19                                                    
                                                 
                                                
                                                
                                             
                                         
                                     
                                                                    
                                        
                                            
                                                
                                                    
                                                        Elektro Dom Sklep Chodzież                                                    
                                                 
                                                
                                                    
                                                        CHODZIEŻ, ul. Żeromskiego 14                                                    
                                                 
                                                
                                                
                                             
                                         
                                     
                                                                    
                                        
                                            
                                                
                                                    
                                                        Elektro Dom Hurtownia Wągrowiec                                                    
                                                 
                                                
                                                    
                                                        WĄGROWIEC, ul. Kolejowa 21                                                    
                                                 
                                                
                                                
                                             
                                         
                                     
                                                                    
                                        
                                            
                                                
                                                    
                                                        Elektro Dom Hurtownia Piła                                                    
                                                 
                                                
                                                
                                                
                                             
                                         
                                     
                                                                    
                                        
                                            
                                                
                                                    
                                                        Elektro Dom Salon Oświetlenia Poznań                                                    
                                                 
                                                
                                                    
                                                        POZNAŃ, ul. Obornicka 229                                                    
                                                 
                                                
                                                
                                             
                                         
                                     
                                                                    
                                        
                                            
                                                
                                                    
                                                        Elektro Dom Salon Oświetlenia Bydgoszcz                                                    
                                                 
                                                
                                                    
                                                        BYDGOSZCZ, ul. Fordońska 40                                                    
                                                 
                                                
                                                
                                             
                                         
                                     
                                                                    
                                        
                                            
                                                
                                                    
                                                        Elektro Dom Hurtownia Oborniki                                                    
                                                 
                                                
                                                
                                                
                                             
                                         
                                     
                                                             
                                         
                 
 
                 
                
    
    
        
            
            
                Informacja 
                Wartość 
             
             
            
			                    
                        
							Producent lub importer bądź podmiot odpowiedzialny w UE                         
                        
                            DEHN SE
                            Hans-Dehn-Str 1, 92318 Neumarkt, Niemcy
                            
                         
                     
					                    
                        
                            Bezpieczeństwo towaru
                         
                        
							Dostawca zapewnia o bezpieczeństwie oferowanego produktu                         
                     
				            
                
					Zaktualizowano:                    
                                         
                 
                2025-09-05 13:05:33 
             
			                    
                        Pliki do pobrania: 
                        
                            
								                                    
                                        
											12753792_36031970.tif                                             (4,698 MB) 
                                              (Zdjęcie produktu, ) 
                                         
                                     
								                                    
                                        
											12753792_36031970.jpg                                             (43,79 KB) 
                                              (Zdjęcie produktu, ) 
                                         
                                     
								                                    
                                        
											12753792_36031956.pdf                                             (71,24 KB) 
                                              (Rysunek wymiarowy, ) 
                                         
                                     
								                                    
                                        
											12753792_36031956.jpg                                             (49,94 KB) 
                                              (Rysunek wymiarowy, ) 
                                         
                                     
								                                    
                                        
											12753792_12753821.pdf                                             (172,2 KB) 
                                              (Karta produktu, ) 
                                         
                                     
								                                    
                                        
											69336.pdf                                             (407,7 KB) 
                                              (Instrukcja montażu, ) 
                                         
                                     
								                                    
                                        
											12753792_36031955.pdf                                             (32,46 KB) 
                                              (Schemat obwodu, ) 
                                         
                                     
								                                    
                                        
											12753792_36031955.jpg                                             (24,95 KB) 
                                              (Schemat obwodu, ) 
                                         
                                     
								                             
                         
                     
							                    
                        Linki