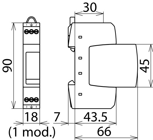
Ogranicznik przepięć DEHNrail M 2P 30 DR M 2P 30

Informacja Wartość
Dostawca DEHN Polska Sp. z o.o.
Symbol 953201
Kod GTIN (EAN) 4013364109674
Jednostka sztuka
Cena katalogowa 732,18 zł (595,27 zł + 23% VAT)
Podane ceny nie stanowią oferty w rozumieniu kodeksu cywilnego. Ceny zakupu danego towaru mogą się różnić od wyświetlonych.

Opis

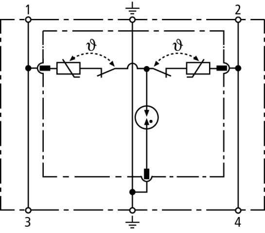
Dwubiegunowy ogranicznik przepięć DEHNrail modular, typ 3 zgodny z EN 61643-11, składający się z podstawy i wymiennego modułu ochronnego. Wysoka zdolność odprowadzania prądów udarowych dzięki zastosowaniu skutecznej kombinacji warystorów z tlenku cynku i iskierników. Do ochrony obwodu zasilania urządzeń elektroniki przemysłowej przed przepięciami przejściowymi w szafach rozdzielczych. Do stosowania zgodnie ze strefową koncepcją ochrony odgromowej jako przejście pomiędzy strefami 1 – 2 i wyżej.

Cechy dodatkowe

Informacja Wartość
Waga brutto: 90,6 g
Kraj pochodzenia Rumunia
Klasa ETIM: Ogranicznik przepięć klasy D
Znamionowe napięcie AC: 24 V
Najwyższe napięcie trwałej pracy AC: 30 V
Najwyższe napięcie trwałej pracy DC: 30 V
Prąd znamionowy: 25 A
Znamionowy prąd wyładowczy (8/20) (L-N): 1 kA
Łączny prąd wyładowczy (8/20) (L+N-PE): 2 kA
Poziom ochrony L-N: 0,18 kV
Poziom ochrony L-PE/N-PE: 0,63 kV
Maks. zabezpieczenie nadprądowe, połączenie równoległe (bezpiecznik): 25 A
Maks. zabezpieczenie nadprądowe, połączenie szeregowe (bezpiecznik): 25 A
Liczba biegunów: 2
Sposób montażu: Szyna montażowa DIN TH-35 mm
Maks. przekrój przewodu (jedno-/wielodrutowego): 4 mm²
Maks. przekrój przewodu elastycznego: 2,5 mm²
Ze stykiem do zdalnej sygnalizacji: nie
Sygnalizacja zadziałania na urządzeniu: Optyczny
Typ 3: tak
Z filtrem przeciwzakłóceniowym: nie
Stopień ochrony (IP): IP20

Kup online

Sklep
Dostępna ilość
Kup
Elektro-Spark KS1
Poniższe hurtownie nie posiadają tego towaru aktualnie w magazynie. Możesz jednak się z nimi skontaktować i zamówić ten towar.

Zamów

Hurtownia
Adres
Odległość
Akcje
Szaflary, ul. Zakopiańska 18
Dystans:
LUX-SYSTEM Szaflary
Szaflary, ul. Zakopiańska 18
Dystans:
LUX-SYSTEM Zakopane
Zakopane, ul. Szymony 25 a
Dystans:
Kraków, Ciepłownicza 82
Dystans:
EL-KAG Kraków
Kraków, Ciepłownicza 82
Dystans:
EL-KAG Nowy Sącz
Nowy Sącz, Grunwaldzka 243
Dystans:
EL-KAG Nowy Targ
Nowy Targ, Al.Tysiąclecia 97
Dystans:
EL-KAG Przemyśl
Przemysl, Konopnickiej 25
Dystans:
EL-KAG Oświęcim
Oświęcim, Kolbego 14b
Dystans:
EL-KAG Staszów
Staszów, ul.Tadeusza Kościuszki 2
Dystans:
EL-KAG Sandomierz
Sandomierz, Kwiatkowskiego 75
Dystans:
Gdynia, ul. Stryjska 26
Dystans:
ELWAT
GDYNIA, Stryjska 26
Dystans:
ELWAT O/WEJHEROWO
WEJHEROWO, USŁUGOWA 3
Dystans:
Tarnów, ul. Mościckiego 155
Dystans:
MEGAel O/Tarnów
TARNÓW, Moscickiego 155
Dystans:
MEGAel O/Mielec
MIELEC, Wolności 24
Dystans:
MEGAel O/Bochnia
BOCHNIA, 20 Stycznia 50
Dystans:
MEGAel O/Tarnobrzeg
Tarnobrzeg, Garażowa 2
Dystans:
Gorzów Wielkopolski, Żwirowa 15-17
Dystans:
ANMAR Gorzów Wielkopolski
Gorzów Wielkopolski, Żwirowa 15-17
Dystans:
Białystok, ul. Handlowa 6C
Dystans:
ELKOND Centrala
Białystok, Handlowa 6C
Dystans:
ELKOND O/Towarowa
Białystok, Towarowa 1
Dystans:
Poznań, ul.Sycowska 46
Dystans:
ELEKTRA Poznań
Poznań, Sycowska 46
Dystans:
Elektra o/Śrem
Śrem, pl. 20 Października 35,
Dystans:
Elektra o/Poznań Piątkowska
Poznań, ul. Piątkowska 149
Dystans:
Elektra o/Wrocław
Wrocław, ul. Muchoborska 18 budynek Gamma I piętro, pok.G-1.55.1
Dystans:
Elektra o/Leszno
Leszno, ul. Fabryczna 27
Dystans:
Elektra o/Lębork
Lębork, Al. Niepodległości 8
Dystans:
Elektra o/Turek
Turek, ul. Milewskiego 14
Dystans:
Elektra o/Koszalin
Koszalin, Gnieźnieńska 106
Dystans:
Elektra o/Piotrków Tryb.
Piotrków Trybunalski, ul. Kostromska 39A
Dystans:
Elektra o/Swarzędz
Swarzędz, ul. Graniczna 63
Dystans:
Mysłowice, Katowicka 104
Dystans:
Lemar Electric Sp. z o.o.
Mysłowice, Katowicka 104
Dystans:
Lemar Electric sp. z o.o. Kielce
Kielce, Zagnańska 147
Dystans:
Lemar Electric Sp. z o.o. Czeladź
Czeladź, Handlowa 9
Dystans:
Kwidzyn, ul. Toruńska 34
Dystans:
Bychowo-Hel Hurtownia Elektryczna o/Kwidzyn
Kwidzyn, Toruńska 34
Dystans:
Bychowo-Hel Hurtownia Elektryczna o/Bydgoszcz
Bydgoszcz, Przemysłowa 8
Dystans:
Bychowo-Hel Hurtownia Elektryczna o/Kościerzyna
Kościerzyna, Drogowców 6
Dystans:
Bychowo-Hel Hurtownia Elektryczna o/Grudziądz
Grudziądz, Droga Łąkowa 25
Dystans:
Wieluń, R.Traugutta 43
Dystans:
ANIA Wieluń
Wieluń, Traugutta 43
Dystans:
Gniezno, ul. Słoneczna 40a
Dystans:
ELEKTRO-HURT Gniezno/magazyn centralny/
Gniezno, Słoneczna 40a magazyn centralny
Dystans:
ELEKTRO-HURT Gniezno/B2C
Gniezno, Słoneczna 40a
Dystans:
ELEKTRO-HURT o/Gniezno
Gniezno, Słoneczna 40a
Dystans:
ELEKTRO-HURT o/Opole
Opole, Zielonogórska 6
Dystans:
ELEKTRO-HURT o/Komorniki
Komorniki, Kolejowa 187/189
Dystans:
ELEKTRO-HURT o/Witkowo
Witkowo, Powstańców Wielkopolskich 2
Dystans:
ELEKTRO-HURT o/Jarocin
Jarocin, Poznańska 28
Dystans:
ELEKTRO-HURT o/Konin
Konin, Spółdzielców 5b
Dystans:
ELEKTRO-HURT o/Krotoszyn
Salnia, Czerwcowa 4
Dystans:
ELEKTRO-HURT o/Leszno
Leszno, Witolda 3
Dystans:
ELEKTRO-HURT o/Sieradz
Sieradz, Polskiej Organizacji Wojskowej 60
Dystans:
ELEKTRO-HURT o/Łowicz
Łowicz, Warszawska 34/36
Dystans:
ELEKTRO-HURT o/Częstochowa
Częstochowa, Piotrkowska 16
Dystans:
ELEKTRO-HURT o/Inowrocław
Inowrocław, Marcinkowskiego 111
Dystans:
ELEKTRO-HURT o/Września
Września, Objazdowa 27
Dystans:
Legionowo Michałów Reginów, ul. Warszawska 10 B
Dystans:
DORIAN DKL Sp. z o.o. - centrala Legionowo
Legionowo Michałów-Reginów, Warszawska 10B
Dystans:
DORIAN DKL Sp. z o.o. - oddział Ciechanów
Ciechanów, Niechodzka 3
Dystans:
DORIAN DKL Sp. z o.o. - oddział Ostrołęka
Ostrołęka, Targowa 2
Dystans:
DORIAN DKL Sp. z o.o. - oddział Warszawa-Wawer
Warszawa, Patriotów 87
Dystans:
DORIAN DKL Sp. z o.o. - oddział Mława
Mława, Rynkowa 16
Dystans:
DORIAN DKL Sp. z o.o. - oddział Płock
Płock, Przemysłowa 18
Dystans:
DORIAN DKL Sp. z o.o. - oddział Łomianki
Łomianki Kiełpin Poduchowny, Warszawska 380
Dystans:
Bytom, ul. Składowa 20
Dystans:
Elgra Sp. z o.o.
Bytom, Składowa 20
Dystans:
Rzeszów, ul. Podkarpacka 61
Dystans:
ELE-COMP
Rzeszów, ul. Podkarpacka 61
Dystans:
ELE-COMP O/Krosno
Krosno, ul.Krakowska 193
Dystans:
ELE-COMP O/Sanok
Sanok, ul. Lipińskiego 73
Dystans:
ELE-COMP SALON SWIATLA
Rzeszów, ul. Podkarpacka 61
Dystans:
Kraków, ul. Albatrosów 13
Dystans:
Dynamik O/Kraków
Kraków, Albatrosów 13
Dystans:
Dynamik O/Kielce
Kielce, Zagnańska 71
Dystans:
Dynamik O/Kraków - Wydział projektowy
Kraków, Albatrosów 13
Dystans:
Dynamik O/CIE
Kraków, Pachońskiego 9
Dystans:
Dynamik O/Sosnowiec
Sosnowiec, Długosza 61
Dystans:
Dynamik O/Kraków - Produkcja rozdzielnic
Kraków, Albatrosów 13
Dystans:
Dynamik O/Sieradz
Sieradz, Polskiej Organizacji Wojskowej 32
Dystans:
Tarnów, ul. Towarowa 11
Dystans:
MEGA Tarnów
Tarnów, Towarowa 11
Dystans:
MEGA O/Dębica
Dębica, Rzeszowska 120
Dystans:
MEGA O/Jasło
Jasło, Kasprowicza 5
Dystans:
MEGA O/Krosno
Krosno, Krakowska 179
Dystans:
MEGA O/Gorlice
Gorlice, Chopina 25M
Dystans:
MEGA O/Nowy Sącz-Krakowska
Nowy Sącz, Krakowska 93A
Dystans:
Białystok, ul. Baranowicka 115 
Dystans:
Elhurt-Elmet Sp. z o. o.
Białystok, Baranowicka 115
Dystans:
ELHURT-ELMET o/Augustów
Augustów, ul. Nadrzeczna 3
Dystans:
ELHURT-ELMET o/Sokółka
Sokółka, ul. Mariańska 32
Dystans:
ELHURT-ELMET o/Zambrów
Zambrów, ul. Legionowa 9A
Dystans:
ELHURT-ELMET o/Siemiatycze
Siemiatycze, ul. Tadeusza Kościuszki 31
Dystans:
ELHURT-ELMET o/Siedlce
Siedlce, Warszawska 22
Dystans:
Suwałki, ul. Mickiewicza 10
Dystans:
ELEKTROMIL Suwałki
Suwałki, ul. Mickiewicza 10 
Dystans:
ELEKTROMIL o/Łomża
Łomża, ul. POZNAŃSKA 10
Dystans:
Limanowa, ul. Tarnowska 9D
Dystans:
Elektret Limanowa Centrala
Limanowa, Tarnowska 9d
Dystans:
Elektret O/Limanowa Salon
Limanowa, Józefa Marka 20
Dystans:
Elektret O/Limanowa Sklep
Limanowa, Jana Pawła II 5a
Dystans:
Elektret O/Mszana Dolna
Mszana Dolna, Starowiejska 39
Dystans:
Elektret O/Myślenice
Myślenice, Słowackiego 96b
Dystans:
Elektret O/Rabka
Rabka, Zakopiańska 6b
Dystans:
Elektret O/Łódź
Łódź, Kolumny 205
Dystans:
Elektret O/Jarosław
Jarosław, Pruchnicka 5
Dystans:
Elektret O/Gdańsk
Gdańsk, Jabłoniowa 58
Dystans:
Elektret O/Zamieście
Tymbark, Zamieście 31
Dystans:
Chodzież, ul. Żeromskiego 14
Dystans:
Elektro Dom Hurtownia Chodzież
CHODZIEŻ, ul. Grudzińskich 19
Dystans:
Elektro Dom Sklep Chodzież
CHODZIEŻ, ul. Żeromskiego 14
Dystans:
Elektro Dom Hurtownia Wągrowiec
WĄGROWIEC, ul. Kolejowa 21
Dystans:
Elektro Dom Hurtownia Piła
PIŁA, ul. Kossaka 100
Dystans:
Elektro Dom Salon Oświetlenia Poznań
POZNAŃ, ul. Obornicka 229
Dystans:
Elektro Dom Salon Oświetlenia Bydgoszcz
BYDGOSZCZ, ul. Fordońska 40
Dystans:
Elektro Dom Hurtownia Oborniki
Oborniki, Mostowa 9/1
Dystans:
Bielsko-Biała, ul. Legionów 93
Dystans:
KARO ELEKTRO PLUS Bielsko-Biała
Bielsko-Biała, Legionów 93
Dystans:
KARO ELEKTRO PLUS O/Kęty
Kęty, Fabryczna 15b
Dystans:
KARO ELEKTRO PLUS O/Kraków
Kraków, Klimeckiego 14, Pawilon D
Dystans:
Warszawa, ul. Wenecka 10
Dystans:
KABIS O/Wenecka Warszawa
Warszawa, Wenecka 10
Dystans:
KABIS O/Łapiguz Łuków
Łuków, Łapiguz 98
Dystans:
KABIS O/Połczyńska Warszawa
Warszawa, Połczyńska 62
Dystans:
KABIS O/Grochowska Warszawa
Warszawa, Grochowska 112
Dystans:
KABIS O/Chełmska Warszawa
Warszawa, Chełmska 21
Dystans:
Opole, ul. Św. Anny 5
Dystans:
el12 O.Opole
Opole, Św. Anny 5
Dystans:
el12 O.Gliwice
Gliwice, ul. Bojkowska 53
Dystans:
el12 O.Wrocław
Wrocław, ul. Stargardzka 2
Dystans:
el12 O.Katowice
Katowice, Konduktorska 42
Dystans:
el12 O.Kraków
Kraków, Powstańców Wlkp. 7a
Dystans:
el12 O.Łódź
Łódź, ul. Pogonowskiego 56/58
Dystans:
el12 O.Gdynia
Gdynia, Chwaszczyńska 170d
Dystans:
el12 O.Dąbrowa Górnicza
Dąbrowa Górnicza, Oddziału AK Ordona 318
Dystans:
el12 O.Częstochowa
Częstochowa, ul. Rydza Śmigłego 40
Dystans:
elstilo O.Opole
Opole, Prószkowska 54
Dystans:
el12 O.Bydgoszcz
Bydgoszcz, Fordońska 135
Dystans:
el12 O.Zielona Góra
Zielona Góra, Zimna 1
Dystans:
prefabrykacja O.Opole
Opole, Św. Anny 5
Dystans:
Lublin, Inżynierska 3
Dystans:
ELPIE o/Lublin
Lublin, ul.Inżynierska 3
Dystans:
ELPIE o/Biała Podlaska
Biała Podlaska, Handlowa 1
Dystans:
ELPIE o/Chełm
Chełm, Mickiewicza 7A
Dystans:
ELPIE o/Puławy
Puławy, Włostowicka 5
Dystans:
ELPIE o/Zamość
Zamość, Hrubieszowska 63
Dystans:
Warszawa, ul. Spisaka 11A
Dystans:
"STALEX" Melcera 12
Warszawa, Melcera 12
Dystans:
"STALEX" Spisaka 11A
Warszawa, Spisaka 11A
Dystans:
Piaseczno, ul.Jana Pawła II 62
Dystans:
P.W SEA
Piaseczno, Jana Pawła II 62
Dystans:
Ełk, ul.Suwalska 91
Dystans:
ELEKTRYK EŁK
Ełk, Suwalska 91
Dystans:
ELEKTRYK OLSZTYN
Olsztyn, Lubelska 45A
Dystans:
ELEKTRYK ELBLĄG
ELBLĄG, Grażyny 2
Dystans:
ELEKTRYK GDAŃSK
GDAŃSK, Marynarki Polskiej 82/84
Dystans:
ELEKTRYK GIŻYCKO
Giżycko, Przemysłowa 10
Dystans:
ELEKTRYK OLECKO
OLECKO, Wojska Polskiego 3
Dystans:
ELEKTRYK GRAJEWO
GRAJEWO, Ełcka 47
Dystans:
ELEKTRYK MRĄGOWO
MRĄGOWO, Wojska Polskiego 6i
Dystans:
ELEKTRYK SZCZYTNO
SZCZYTNO, Polna 3
Dystans:
ELEKTRYK SŁUPSK
SŁUPSK, Poznańska 81
Dystans:
ELEKTRYK TCZEW
TCZEW, Armii Krajowej 84A
Dystans:
ELEKTRYK STAROGARD GDAŃSKI
STAROGARD GDAŃSKI, Norwida 1
Dystans:
ELEKTRYK KOSZALIN
KOSZALIN, Morska 26
Dystans:
ELEKTRYK GDYNIA
GDYNIA, B.Krzywoustego 2
Dystans:
ELEKTRYK OSTRÓDA
Ostróda, Grunwaldzka 55b
Dystans:
Bielsko-Biała, ul. Katowicka 180
Dystans:
Karel 2 Bielsko-Biała
Bielsko-Biała, Katowicka 180
Dystans:
Karel 2 Oddział Mikołów
Mikołów, Towarowa 11
Dystans:
Karel 2 Oddział Tychy
Tychy, Przemysłowa 55
Dystans:
Karel 2 Oddział Żory
Żory, Żeromskiego 1
Dystans:
Karel 2 Oddział Wadowice
Wadowice, Łazówka 9
Dystans:
Karel 2 Oddział Wisła
Wisła, Przemysłowa 3
Dystans:

Informacje dodatkowe